Class III Trailer Hitch; 350/3500 lbs. Weight Carrying [Tongue Weight/Gross Trailer Weight];
2" Square Receiver Tube Opening Reese receivers are designed for trucks, vans and sport utility vehicles Neat Appearance, All Frame Attachments A-Coat Base w/ Black Powder Coat Finish Rated up to 3,500 lbs. (GTW) Weight Carrying (WC) Rated up to 5,500 lbs. (GTW) Weight Distributing (WD) Solid All-Welded Construction for Maximum Strength and Safety Custom Built According to Manufacturer & Model Year Ensures Perfect Fit and Top Towing Performance Computer-Aided Design and Fatigue Stress Testing Designed to Withstand Road Abuse Within Specified Capacities Includes distinctive patented collar and plug Backed by a Nationwide Limited Lifetime Warranty
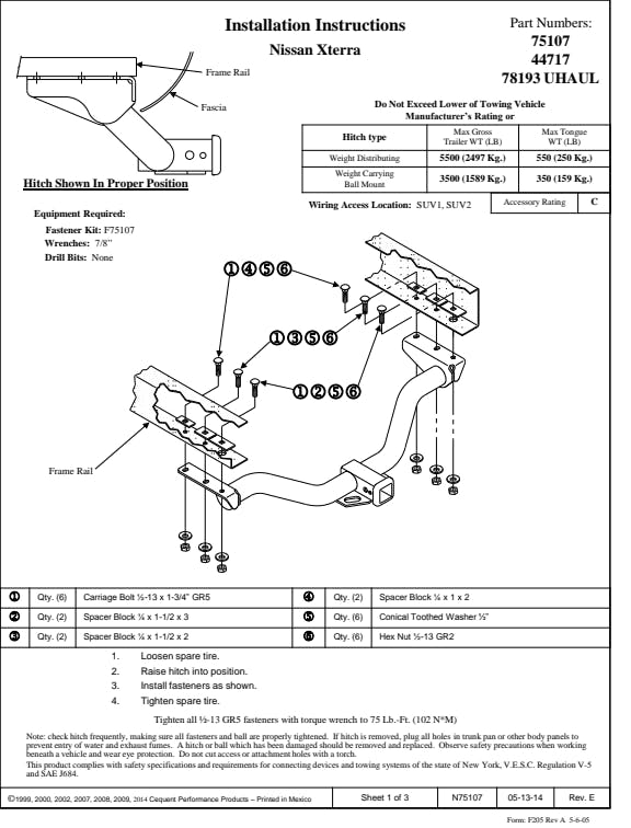
- Class III Trailer Hitch
- 23
Application Summary:
| Year |
Make/Model |
| 2000-2004 |
Nissan Xterra |
| Attributes |
| Category |
Towing and Accessories |
| Country of Origin (Primary) |
MX |
| Emission Code |
Legal US |
| Gross Trailer Weight |
3500 lbs. |
| Gross Trailer Weight (lbs.) |
3500 |
| Harmonized Tariff Code (Schedule B) |
8708998175 |
| Hazardous Material Code |
N |
| Life Cycle Status Code |
Available to Order |
| NAFTA Preference Criterion Code |
B |
| Position |
Rear |
| SDR Required Flag |
N |
| Series |
Class III Hitches |
| Subcategory |
Hitches |
| GTIN |
00016118128482 |